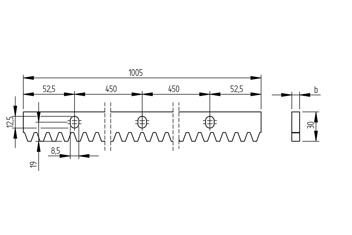
H8/01-30x8H
Hrebeň INOX, 30x8mm, L1m, max 1900kg
99,82 zł
Jednotková cena
/
Nie je dostupný
bez DPH
s DPH
Skladová dostupnosť
SK Krompachy
> 25
PL Ruda Śląska
0
Kontakt
Kontakt
Pre viac informácií o produkte môžete kontaktovať nášho obchodníka:
objednavky@umakov.sk; info@umakov.sk
+421 908 986 081, +421 908 994 153
Popis
Ozubený nerezový hrebeň pre posuvné brány. Dodávaný s tromi úchytmi a skrutkami pre upevnenie hrebeňa.
