Opis
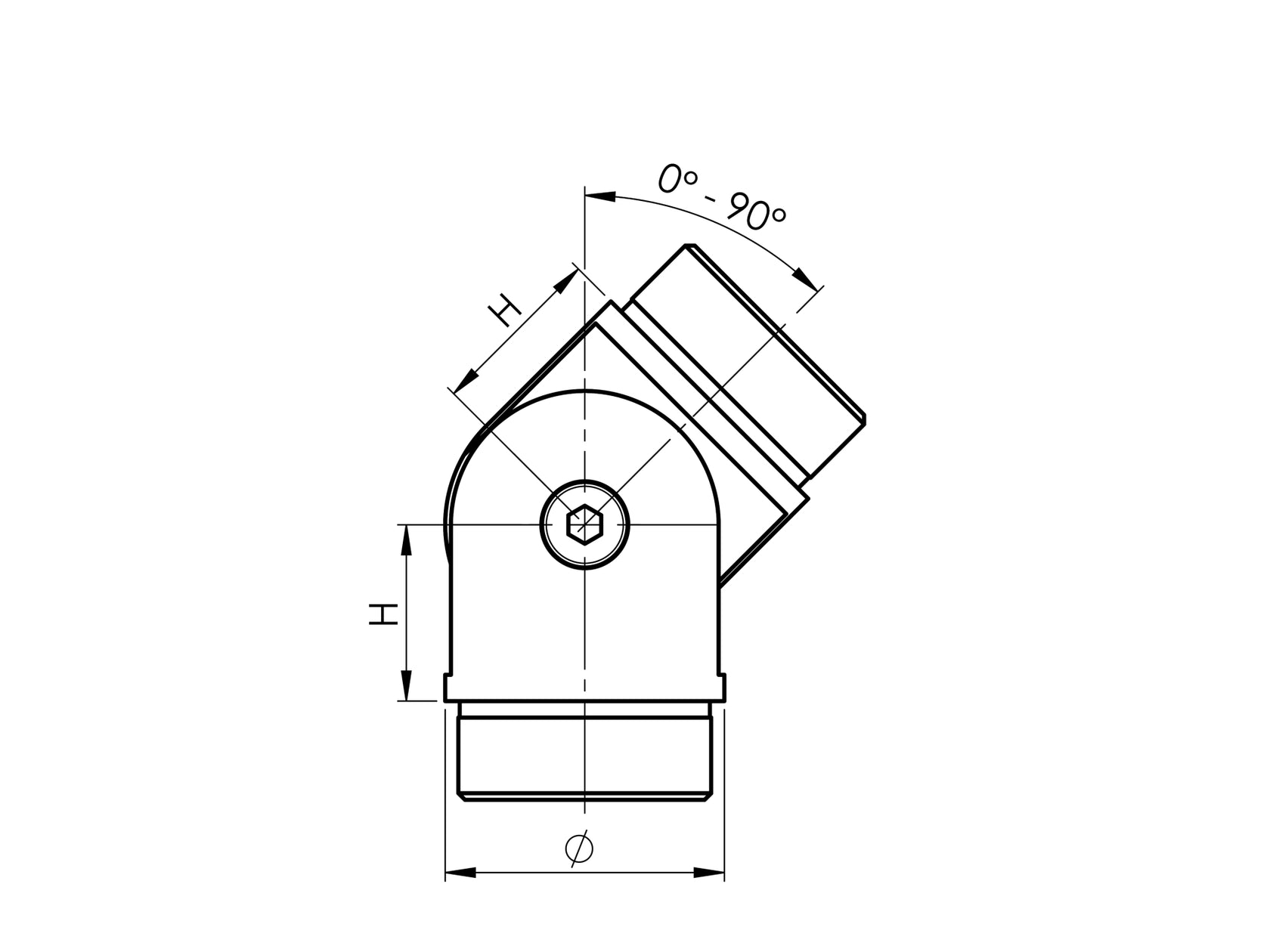
        Przejście poręczy jest elementem konstrukcyjnym i konstrukcyjnym służącym do łączenia części poręczy. Przejście to pozwala na płynne i bezproblemowe połączenie poręczy, zwiększając bezpieczeństwo, estetykę i funkcjonalność balustrady. Tworzy wizualne i ciągłe przejście pomiędzy dwiema częściami poręczy, co wpływa na ogólny wygląd poręczy. Eliminuje ostre krawędzie i nierówne powierzchnie, co minimalizuje ryzyko obrażeń podczas chwytania rączki. Umożliwia także łatwy montaż, konserwację i użytkowanie poręczy, zapewniając jednocześnie mocne i stabilne połączenie poręczy. Przejście klamki jest regulowane (±90°), pozwala na połączenie dwóch identycznych odcinków klamki w jednej płaszczyźnie. Przy przejściach poręczy w narożnikach lub przy zmianie kierunku poręczy, na przykład pod kątem 90° lub 45°. Stosuje się je również w miejscach, w których poręcz musi wznosić się lub opadać, np. na schodach. Połączenie rączki i przejścia (kolana) jest proste, do łączenia materiałów stosuje się złącze klejone.
      
    Parametry
Materiał
                
                        Określa materiał, z którego wykonano produkt.
                      
                    
                  
                    
                  
                    
                  
                    
                  
                    
                  
                    
                  
                
                  
                    
                      Stal nierdzewna AISI 304
                    
                  
                    
                  
                    
                  
                    
                  
                    
                  
                    
                  
                
              Wykończenie powierzchni
                
                        Wykończenie powierzchni produktu
                      
                    
                  
                    
                  
                    
                  
                    
                  
                    
                  
                
                  
                    
                  
                    
                      Szlifowany
                    
                  
                    
                  
                    
                  
                    
                  
                    
                  
                
              Słupek
                
                        Określa zastosowanie w zależności od wymiaru i kształtu słupka
                      
                    
                  
                    
                  
                    
                  
                    
                  
                
                  
                    
                  
                    
                  
                    
                      D33,7x2
                    
                  
                    
                  
                    
                  
                    
                  
                
              Poręcz
                
                        Určuje použitie podľa rozmeru a tvaru madla.
                      
                    
                  
                    
                  
                    
                  
                
                  
                    
                  
                    
                  
                    
                  
                    
                      D33,7x2
                    
                  
                    
                  
                    
                  
                
              H
                
                  
                    
                  
                    
                  
                    
                  
                    
                  
                    
                      21
                    
                  
                    
                  
                
              Phi
                
                  
                    
                  
                    
                  
                    
                  
                    
                  
                    
                  
                    
                      33,7x2,0
                    
                  
                
              List katalogowy
Wymagane produkty
Klej do stali nierdzewnej, 50g (zielony) A/GLUE-50g-C
Materiał
              
                
                  
                    Chemia
                  
                
                  
                
              
            
          
            
            
              g
              
                
                  
                
                  
                    50
                  
                
              
            
          
        Dostępność zapasów
      SK Krompachy
      > 25
    
  
    
    
      PL Ruda Śląska
      30
    
  
    50,07 zł
    
  Cena jednostkowa
 / 
  
    Niedostępne
  
Historia cen
                  Najniższa cena w ciągu ostatnich 30 dni:
                  
  
bez VAT
                  
                
              
    50,07 zł
    
  Cena jednostkowa
 / 
  
    Niedostępne
  
W magazynie
(916 szt.)
            Towary alternatywne
            
          
        
        
        
          
        
        
        
          
            W zestawach
            
          
        
        
  
  
      Klej do stali nierdzewnej, 50g (żółty) A/GLUE-50g-D
Materiał
              
                
                  
                    Chemia
                  
                
                  
                
              
            
          
            
            
              g
              
                
                  
                
                  
                    50
                  
                
              
            
          
        Dostępność zapasów
      SK Krompachy
      > 25
    
  
    
    
      PL Ruda Śląska
      20
    
  
    54,37 zł
    
  Cena jednostkowa
 / 
  
    Niedostępne
  
Historia cen
                  Najniższa cena w ciągu ostatnich 30 dni:
                  
  
bez VAT
                  
                
              
    54,37 zł
    
  Cena jednostkowa
 / 
  
    Niedostępne
  
W magazynie
(386 szt.)
Klej z aktywatorem - LOCTITE 638, 50ml A/GLUE-638-50g
Materiał
              
                
                  
                    Chemia
                  
                
                  
                
              
            
          
            
            
              g
              
                
                  
                
                  
                    50
                  
                
              
            
          
        Dostępność zapasów
      SK Krompachy
      > 25
    
  
    
    
      PL Ruda Śląska
      0
    
  
    122,95 zł
    
  Cena jednostkowa
 / 
  
    Niedostępne
  
Historia cen
                  Najniższa cena w ciągu ostatnich 30 dni:
                  
  
bez VAT
                  
                
              
    122,95 zł
    
  Cena jednostkowa
 / 
  
    Niedostępne
  
W magazynie
(206 szt.)
Klej do stali nierdzewnej, 10g (zielony) A/GLUE-10g-C
Materiał
              
                
                  
                    Chemia
                  
                
                  
                
              
            
          
            
            
              g
              
                
                  
                
                  
                    10
                  
                
              
            
          
        Dostępność zapasów
      SK Krompachy
      > 250
    
  
    
    
      PL Ruda Śląska
      5
    
  
    19,19 zł
    
  Cena jednostkowa
 / 
  
    Niedostępne
  
Historia cen
                  Najniższa cena w ciągu ostatnich 30 dni:
                  
  
bez VAT
                  
                
              
    19,19 zł
    
  Cena jednostkowa
 / 
  
    Niedostępne
  
W magazynie
(1492 szt.)
Zestaw montażowy do balustrad ze stali nierdzewn Q/INOX-INSTALL-SET-B
Dostępność zapasów
      SK Krompachy
      19
    
  
    
    
      PL Ruda Śląska
      0
    
  
    154,24 zł
    
  Cena jednostkowa
 / 
  
    Niedostępne
  
Historia cen
                  Najniższa cena w ciągu ostatnich 30 dni:
                  
  
bez VAT
                  
                
              
    154,24 zł
    
  Cena jednostkowa
 / 
  
    Niedostępne
  
Mało w magazynie
(19 szt.)
 
            
 
      
 
      
 
      
 
       
         
           
 
 
 
 
 
 
 
 
 
 
 
 
 
 
 
 
 
